FrontPage
HSES-LMC1 技術情報 †
ESP-WROOM-02 端子接続 †
| 端子 | 接続先 | | IO0 | スイッチ、PROGコネクタ | | IO2 | サブCPU SPIの CS0 | | IO4 | サブCPUのBUSY信号 | | IO5 | サブCPUのリセット | | IO12 | SPI-MISO | | IO13 | SPI-MOSI | | IO14 | SPI-SCK | | IO15 | サブCPU SPIのCS1 | | IO16 | SDカードスロットのCS | | TOUT | GROVEコネクタ | | RST | スイッチ、PROGコネクタ |
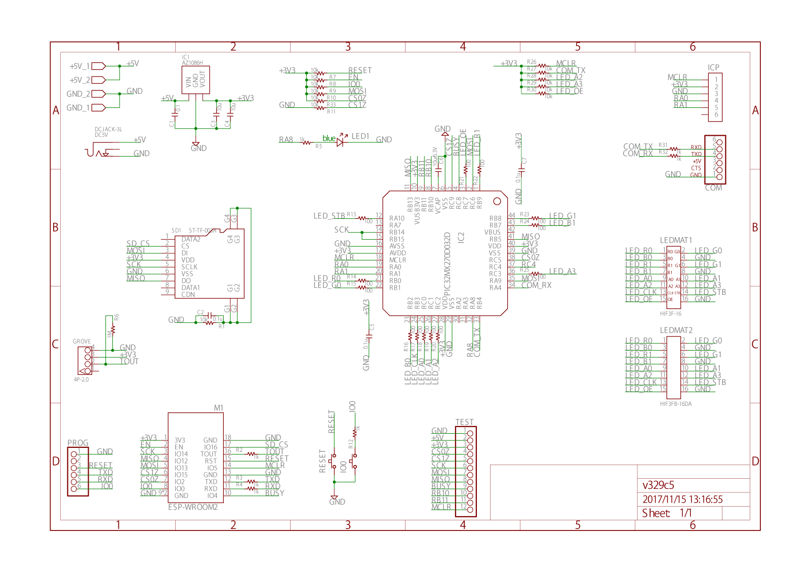
回路図 †
- Ver.2 (v329c5)
- GroveコネクタのAD(TOUT)入力に1MΩのプルダウン抵抗追加
外形図 †
- Ver.2の変更点
- DCコネクタの位置と向き
- Grove コネクタの位置と向き

|