HSES-PROG技術資料
のバックアップ(No.6)
[
トップ
] [
新規
|
一覧
|
単語検索
|
最終更新
|
ヘルプ
]
バックアップ一覧
差分
を表示
現在との差分
を表示
ソース
を表示
HSES-PROG技術資料
へ行く。
1 (2016-12-26 (月) 18:14:02)
2 (2016-12-28 (水) 16:48:09)
3 (2017-01-26 (木) 15:44:49)
4 (2018-09-19 (水) 17:43:52)
5 (2018-09-19 (水) 22:38:59)
6 (2018-09-19 (水) 22:39:38)
FrontPage
HSES-PROG技術資料
†
↑
関連ページ
†
製品ページ
HSES-PROG使用説明書
↑
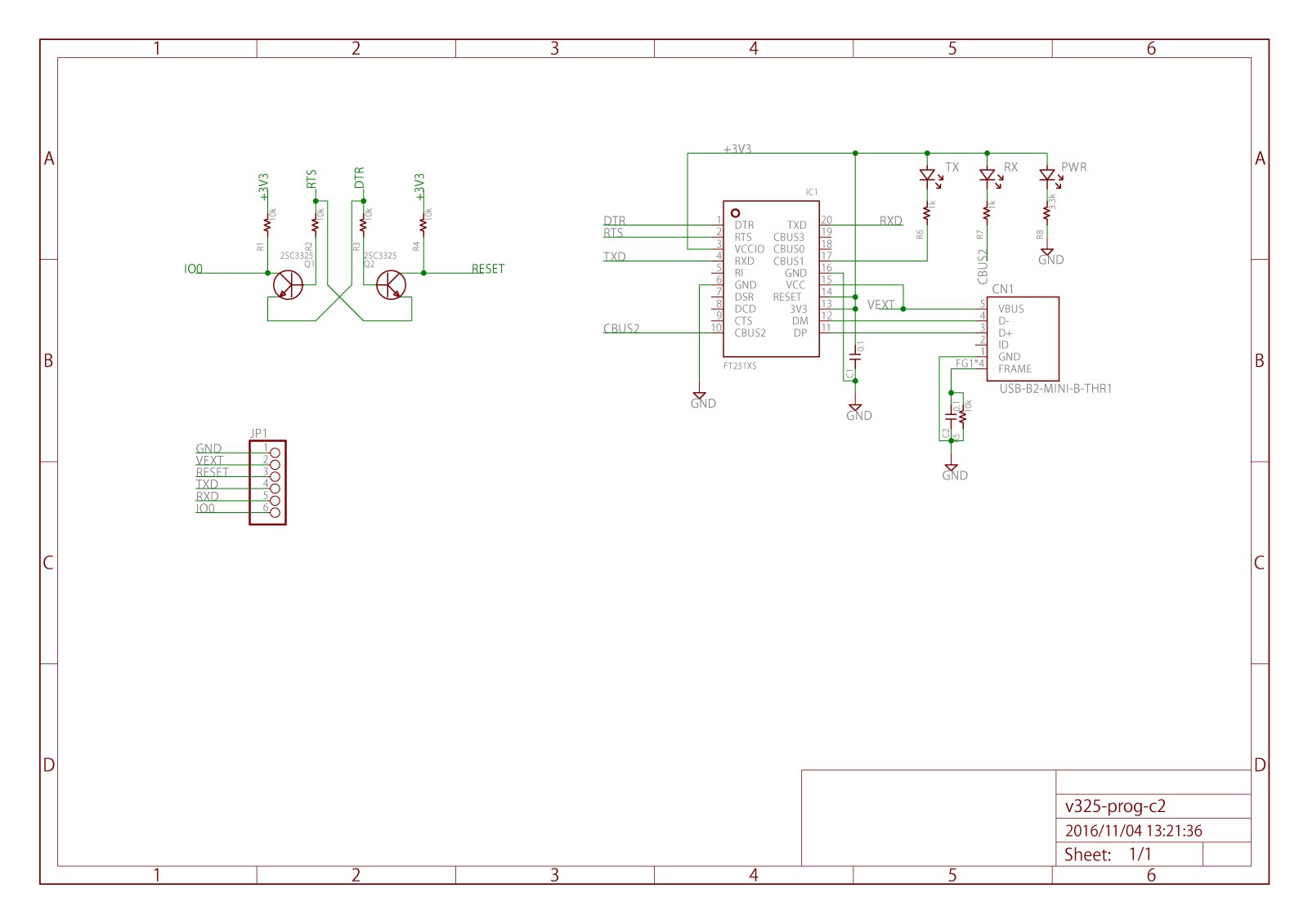
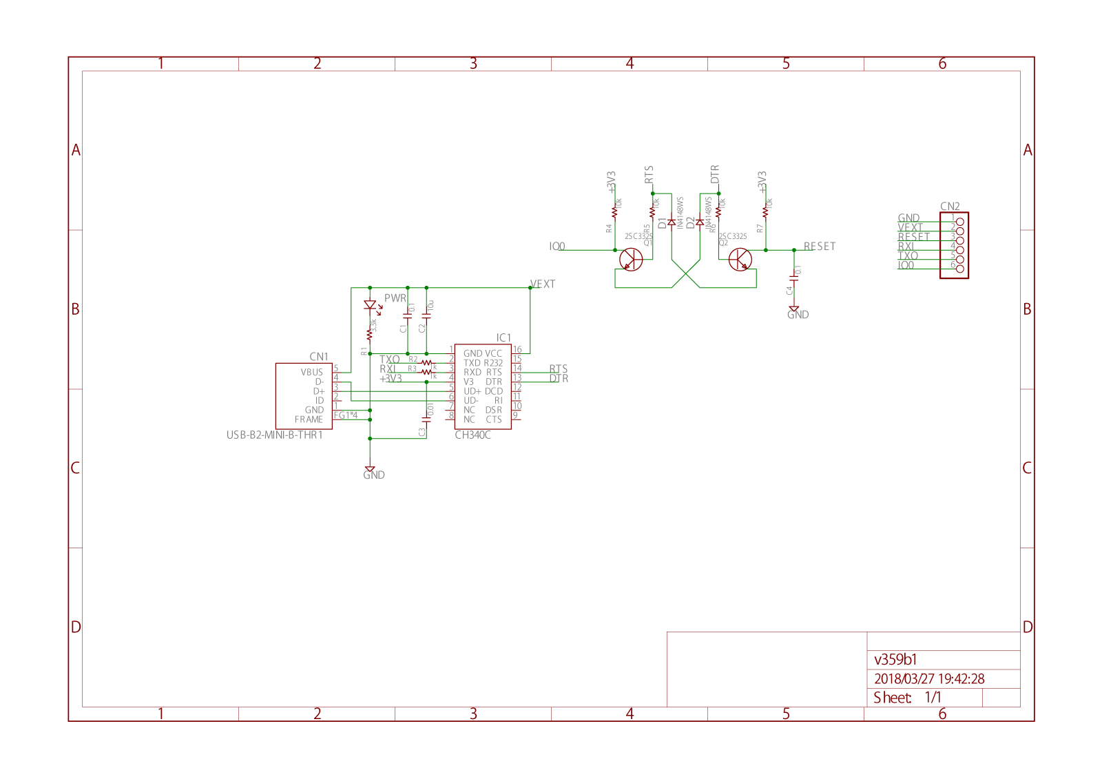
回路図
†
HSES-PROG
PDFファイル:
v325-prog-c2.pdf
HSES-PROG2
PDFファイル:
v359b1.pdf
↑
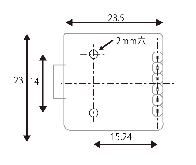
サイズ
†
HSES-PROG
HSES-PROG2