HSES-LMC1 技術情報
のバックアップ(No.3)
[
トップ
] [
新規
|
一覧
|
単語検索
|
最終更新
|
ヘルプ
]
バックアップ一覧
差分
を表示
現在との差分
を表示
ソース
を表示
HSES-LMC1 技術情報
へ行く。
1 (2017-07-06 (木) 10:53:04)
2 (2017-07-06 (木) 11:13:21)
3 (2018-10-01 (月) 13:35:01)
FrontPage
HSES-LMC1 技術情報
†
↑
ESP-WROOM-02 端子接続
†
端子
接続先
IO0
スイッチ、PROGコネクタ
IO2
サブCPU SPIの CS0
IO4
サブCPUのBUSY信号
IO5
サブCPUのリセット
IO12
SPI-MISO
IO13
SPI-MOSI
IO14
SPI-SCK
IO15
サブCPU SPIのCS1
IO16
SDカードスロットのCS
TOUT
GROVEコネクタ
RST
スイッチ、PROGコネクタ
↑
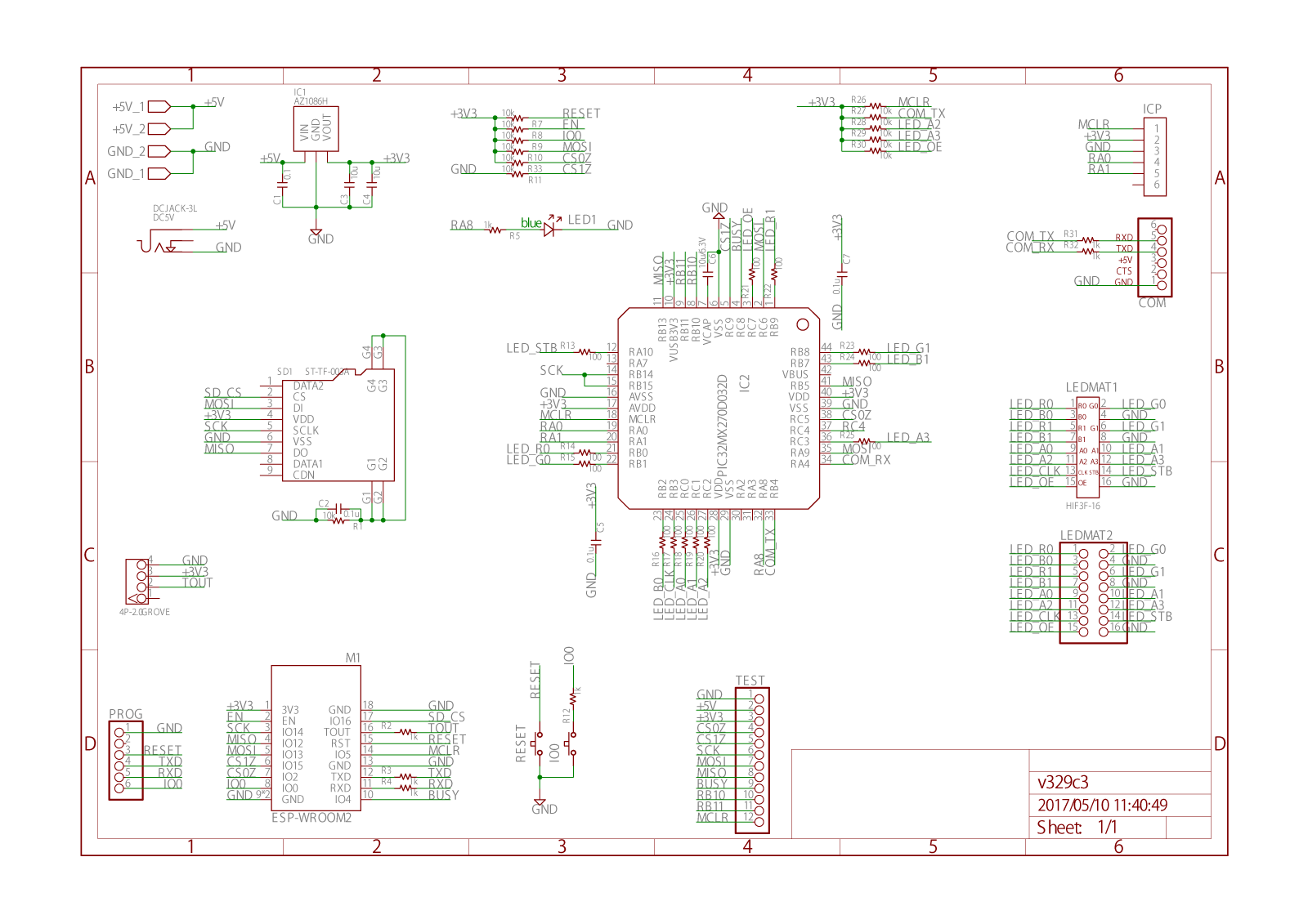
回路図
†
v329c3
↑
外形図
†